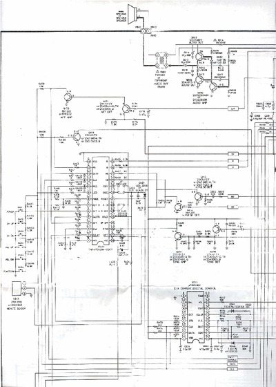
Manaual de servicio RCA CHASIS F35731MBFM1 CTC169JS6
Sitio de información técnica para todos totalmente gratis (Free), aquí encontraras Manuales de servicio (Service Manual), Diagramas (Diagram), información técnica.
jueves, 25 de enero de 2018
miércoles, 24 de enero de 2018
martes, 23 de enero de 2018
Manual de servicio SHARP LC-60 LC70 LC80LE650U C6500 LE657U LE755U LE757U LE857U C7500U LCD MODULE EDITTION
Manual de servicio SHARP LC-60 LC70 LC80LE650U C6500 LE657U LE755U LE757U LE857U C7500U LCD MODULE EDITTION
jueves, 18 de enero de 2018
miércoles, 17 de enero de 2018
martes, 16 de enero de 2018
viernes, 12 de enero de 2018
jueves, 11 de enero de 2018
lunes, 8 de enero de 2018
viernes, 5 de enero de 2018
martes, 2 de enero de 2018
Suscribirse a:
Comentarios (Atom)




















